三相电流表用于高低压系统三相交流电流参数测量,电流表基于MCU微处理器技术和模块化结构,三相电流表具备高抗干扰性、高稳定性和高精度等特点。三相电流表支持继电器输出、RS485通讯。数显三相电流表有4种安装尺寸,更广泛的适用于各种控制系统(SCADA、DCS等)。

三相电流表技术参数
三相电流表相当于将三台单相电流表集成在一台仪表内,同时测量显示Ia、Ib和Ic的电流值
电流测量范围:0.01-5A/AC,5A以上由电流互感器转换为0-5A或0-1A电流输入
输入阻抗:<0.1Ω
测量误差:±0.2%FS
分辨力:0.001A
过载:持续120%;瞬时2倍/30s
模拟量输出:4-20mA、0-20mA、0-10mA、1-5V、0-5V
通讯输出:RS485,MODBU RTU
报警输出:继电器控制输出(触点容量:AC220V/2A,DC24V/2A)
使用环境:环境温度0-50℃;相对湿度≤85%RH;避免腐蚀性气体
工作电源AC/DC100-240V,50/60Hz;DC20-29V(开关电源)
功耗:≤6W
结构:标准卡入式
四种外形尺寸:160×80×142mm、96×96×85mm、80×80×115mm、120×120×115mm

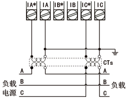
交流三相电流表接线图




仪表输入方式接线说明
1、三相三线系统,采用无CT方式的接线图

2、三相四线制系统,采用无CT方式的接线图

3、三相三线系统,采用2CT方式的接线图

4、三相四线制系统,采用3CT方式的接线图

注意事项
a、建议用户在外接CT时,在三相电流表和CT之间采用接线端子排连接,以方便仪表的拆卸。
b、当电流信号以CT方式接入三相电流表时,请注意CT同名端。
c、为保证测量数据的准确度,必须正确接入电流测试信号。当被测试电流小于三相电流表电流量程,可以直接接入;否则,必须经电流互感器CT接入。
d、接入互感器的精度能够影响三相电流表测试数据的准确度。互感器次级输出应连接较粗、较短的低阻抗导线,减少干扰影响。互感器可能产生信号角差的偏移,对测试数据的准确度有影响。
三相电流表选型表
YR-GF①-②③④⑤-⑥⑦-⑧-⑨
①功能代码
[I]:多功能电流测量仪表
②外形尺寸
[2]:外形尺寸:120×120×115mm(高×宽×深)/开孔尺寸:105×105mm(高×宽)
[3]:外形尺寸:80×80×115mm(高×宽×深)/开孔尺寸:76×76mm(高×宽)
[9]:外形尺寸:96×96×85mm(高×宽×深)/开孔尺寸:92×92mm(高×宽)
[B]:外形尺寸:160×80×142mm(高×宽×深)/开孔尺寸:152×76mm(高×宽)
③产品设计序号
[K]:功能增强型(可以增加附加功能)
④:参数显示个数
[3]:3个参数显示
[3Y]:液晶屏3个参数显示
⑤扩展功能(仪表通讯和变送输出可同时存在)
[N]:无扩展功能
[C]:RS485通讯
[1M]:120×120mm外形为3路4-20mA变送输出(RL≤500Ω);其他外形为1路4-20mA变送输出
[2M]:120×120mm外形为3路0-10mA变送输出(RL≤1000Ω);其他外形为1路0-10mA变送输出
[3M]:120×120mm外形为3路0-20mA变送输出(RL≤500Ω);其他外形为1路0-20mA变送输出
[1V]:120×120mm外形为3路1-5V变送输出(RL≥250kΩ);其他外形为1路1-5V变送输出
[2V]:120×120mm外形为3路0-5V变送输出(RL≥250kΩ);其他外形为1路0-5V变送输出
[1X]:120×120mm外形为3路其他(用户指定输出);其他外形为1路其他(用户指定输出)
⑥电压输入信号类型
[N]:无电压输入
⑦电流输入信号类型
[1]:0-1A/AC电流输入
[2]:0-5A/AC电流输入
⑧报警
[N]:无报警
[2]:2限报警
⑨仪表供电电源
[W]:DC20-29V
[T]:DC/AC100-240V
选型举例
三相电流表什么牌子好?
三相电流表在控制柜上不属于价格昂贵的设备,选用三相电流表时需要关注产品可靠性、稳定性和精度,不能单纯纠结三相电流表价格。


